RosettaCNC Handwheel B - Manuale di installazione e manutenzione
Gentile Cliente,
Grazie per aver acquistato questo prodotto. Questo documento vuole raccogliere tutte le informazioni necessarie per l'installazione e l'utilizzo di questo accessorio.
Serve assistenza ?
Scrivete nel forum presente nel sito RosettaCNC.com oppure inviate una email all' indirizzo: support@rosettacnc.com, il team di sviluppo di RosettaCNC sarà lieto di rispondervi in tempi brevi.
I diritti d'autore di questo manuale sono riservati. Nessuna parte di questo documento, può essere copiata o riprodotta in qualsiasi forma senza la preventiva autorizzazione scritta. RosettaCNC Motion® non presenta assicurazioni o garanzie sui contenuti e specificatamente declina ogni responsabilità inerente alle garanzie di idoneità per qualsiasi scopo particolare. Le informazioni in questo documento sono soggette a modifica senza preavviso. RosettaCNC Motion® non si assume alcuna responsabilità per qualsiasi errore che può apparire in questo documento. RosettaCNC Motion® è un marchio registrato.
Informazioni
![]() |
||||
Documento: | MIMROSETTACNCHANDWHEELB | |||
---|---|---|---|---|
Descrizione: | Manuale di installazione e manutenzione | |||
Link: | http://wiki.rosettacnc.com/hardware/accessori/mimrosettacnchandwheelb | |||
Release documento | Versione Hardware | Descrizione | Note | Data |
01 | 01 | Nuovo manuale | / | 25/10/2021 |
01 | 02 | Nuovo manuale | Valido dalla rel.h 02.0 | 12/03/2024 |
02 | 02 | Corretti errori di collegamento COM1 | 04/09/2024 |
1. Introduzione
1.1 Descrizione generale
Per i movimenti manuali (jog) è disponibile l'accessorio RosettaCNC Handwell B. Esso ha una forma ergonomica che ne rende facile l'uso ed è contenuto in un robusto contenitore anti urto. E' equipaggiato di magneti che ne garantiscono un fissaggio affidabile, il cavo elettrico di collegamento con il controllore RosettaCNC è dotato di un filo in acciaio che ne aumenta l'affidabilità e di un connettore estraibile con contatti a molla antivibrazione.
Handwell B mette a disposizione :
- un doppio pulsante di abilitazione dei comandi
- il pulsante di emergenza con doppio contatto
- un selettore per la scelta dell'asse sul quale agire
- un commutatore a tre posizioni 1 – 1/10 – 1 /100 che definisce l'unità di misura dell'encoder.
- un encoder per eseguire la movimentazione dell'asse selezionato
- tre pulsanti ausiliari con funzione programmabile
Note:
- in ciclo automatico, l'encoder può modificare il valore di feed override.
- in manuale, il pulsante di abilitazione dei comandi può eseguire l'azzeramento dell'asse selezionato.
1.2 Simboli utilizzati nel manuale
Informazioni utili e suggerimenti
Avvertimenti, il mancato rispetto di questi avvertimenti può portare ad un funzionamento inadeguato o danni al dispositivo
Potenziale pericolo e possibile rischio di infortunio
1.3 Contenuto della confezione
1.4 Identificazione del prodotto
In base al Codice d'ordinazione del prodotto è possibile ricavarne esattamente le caratteristiche.
Verificare che le caratteristiche del prodotto corrispondano alle Vostre esigenze.
1.4.1 Etichetta prodotto
- a - Codice di ordinazione
- b - Data di produzione: indica la settimana e l'anno di produzione
- c - Part number: codice univoco che identifica un codice d'ordinazione
- d - Serial number: numero di serie dello strumento, unico per ogni pezzo prodotto
- e - Versione hardware: versione e release dell'hardware
1.4.2 Codice di ordinazione
Il prodotto RosettaCNC Handwheel B è disponibile nella seguenti versioni:
Part number | Modello | Descrizione |
---|---|---|
94030031 | RosettaCNC Handwheel B | Senza connettori |
94030037 | RosettaCNC Handwheel B/WPA | Volantino con passacavo sezionabile e con connettore arancione cablato idoneo per Rosettacnc A |
94030038 | RosettaCNC Handwheel B/WPB | Volantino con passacavo sezionabile e con connettori arancioni cablati idonei per Rosettacnc B |
94030043 | RosettaCNC Handwheel B/WPA/12 | Volantino con passacavo sezionabile, prolunga di 6m e con connettori arancioni cablati idonei per Rosettacnc A |
94030042 | RosettaCNC Handwheel B/WPB/12 | Volantino con passacavo sezionabile, prolunga di 6m e con connettori arancioni cablati idonei per Rosettacnc B |
1.4.3 Caratteristiche
Nome | Descrizione |
---|---|
Pulsante di emergenza | doppio contatto normalmente chiuso |
Pulsanti di abilitazione | abilita i comandi del volantino |
Pulsanti ausiliari | tre pulsanti programmabili |
Commutatore | tre posizioni, 1 - 1/10 - 1/100 |
Selettore | 7 posizioni, OFF - X - Y - Z - 4 - 5 - 6 |
Encoder | 400 divisioni per giro |
Cavo | con filo d'acciaio, lunghezza 1,7m (6m stirato) |
Supporto | con magneti |
2. Collegamenti
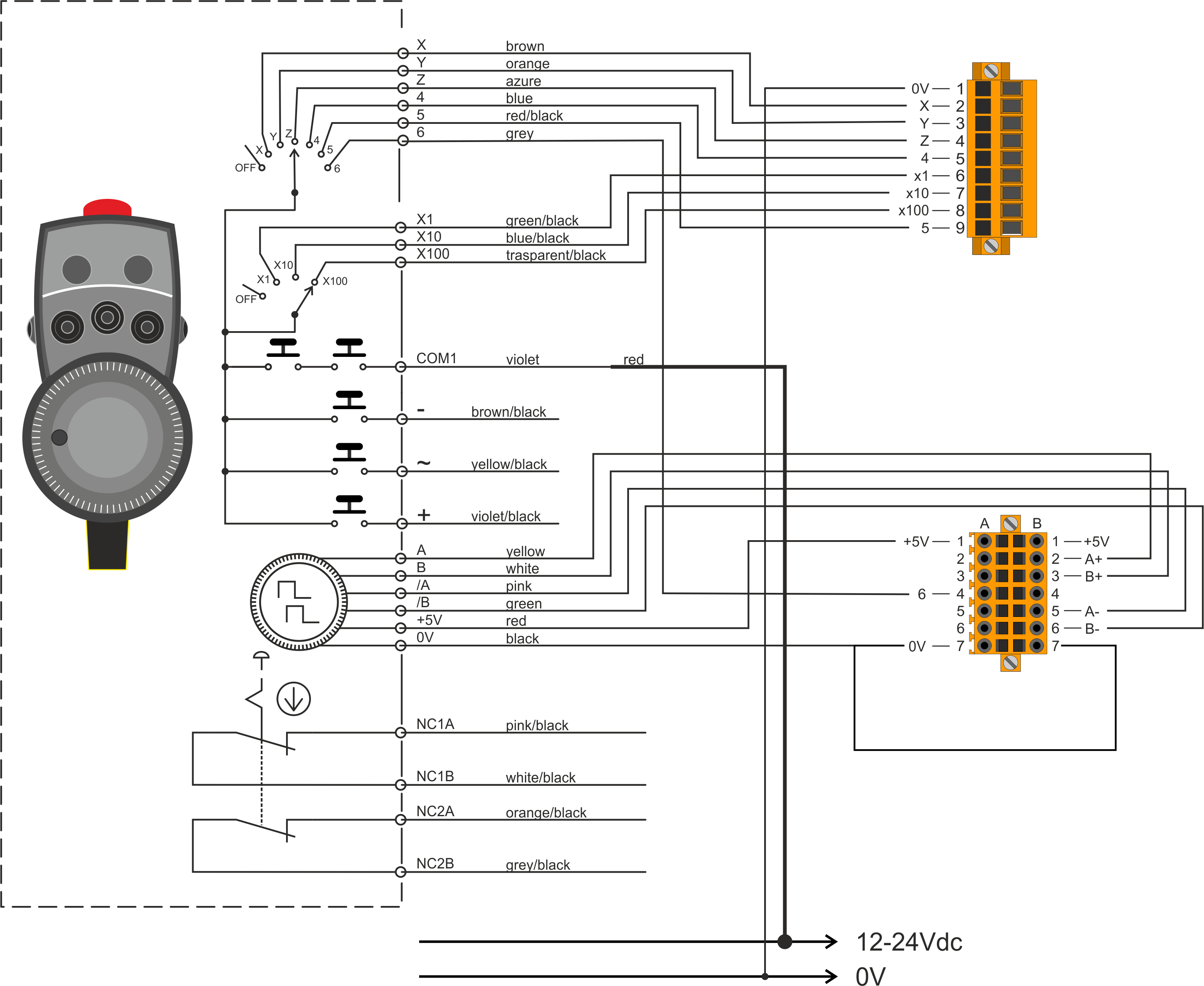
2.1 Descrizione dei cavi
2.1.1 Soli terminali
Encoder | Funzione |
---|---|
rosso ![]() | +5V |
nero ![]() | 0V |
giallo ![]() | A |
rosa ![]() | A/ |
bianco ![]() | B |
verde ![]() | B/ |
Assi | |
marrone ![]() | X |
arancione ![]() | Y |
azzurro ![]() | Z |
blu ![]() | 4 |
rosso/nero ![]() | 5 |
grigio ![]() | 6 |
Moltiplicatore | |
verde/nero ![]() | x1 |
blu/nero ![]() | x10 |
trasparente/nero ![]() | x100 |
Pulsanti ausiliari | |
marrone/nero ![]() | - |
giallo/nero ![]() | ∼ |
viola/nero ![]() | + |
Comune | |
viola ![]() | COM1 |
Emergenza | |
rosa/nero ![]() | NC1A |
bianc/nero ![]() | NC1B |
anancione/nero ![]() | NC2A |
grigio/nero ![]() | NC2B |
2.2 Collegamento a RosettaCNC Board A
Questo modello di volantino è compatibile solo con RosettaCNC Board A dalla versione hardware 1.2 in poi.
Volantino | Connettore CN11 su RosettaCNC Board A | ||
---|---|---|---|
![]() | nero ![]() | 1 | ![]() |
marrone ![]() | 2 | ||
arancione ![]() | 3 | ||
azzurro ![]() | 4 | ||
blu ![]() | 5 | ||
verde/nero ![]() | 6 | ||
blu/nero ![]() | 7 | ||
trasparente/nero ![]() | 8 | ||
9 | |||
rosso ![]() | 10 | ||
giallo ![]() | 11 | ||
bianco ![]() | 12 | ||
13 | |||
14 | |||
. | Connettore CN5 su RosettaCNC Board A | ||
1 | ![]() |
||
marrone/nero ![]() | 2 | ||
giallo/nero ![]() | 3 | ||
viola/nero ![]() | 4 | ||
5 | |||
6 | |||
7 | |||
8 | |||
9 | |||
. | |||
viola ![]() ![]() | Da collegare a +24Vdc | ||
. | |||
rosa/nero ![]() | ![]() | Da collegare in serie al circuito di arresto per emergenza | |
bianco/nero ![]() |
|||
arancione/nero ![]() | ![]() | Da collegare in serie al circuito di arresto per emergenza | |
grigio/nero ![]() |
|||
Fili che rimangono scollegati | |||
rosso/nero ![]() | |||
grigio ![]() | |||
rosa ![]() | |||
verde ![]() |
I fili marrone/nero, giallo/nero
e viola/nero
possono essere connessi ad un qualsiasi Ingresso utente e assegnata una funzione nel software di controllo RosettaCNC.
2.2.1 Installazione
Per collegare il volantino a RosettaCNC Board A semplicemente inserire il connettore in CN11 come in figura:
Figura 1. Installazione volantino
Verificare la connessione del pulsante di emergenza in accordo con il circuito di sicurezza della macchina
Per gli esempi di collegamento dei circuiti di emergenza fare riferimento al munuale del prodotto RosettaCNC Board A.
2.3 Collegamento a RosettaCNC Board B
Volantino | Connettore CN17 su RosettaCNC Board B | ||
---|---|---|---|
![]() | rosso ![]() | 1B | ![]() ![]()
Collegare: |
giallo ![]() | 2B | ||
bianco ![]() | 3B | ||
rosa ![]() | 5B | ||
verde ![]() | 6B | ||
grigio ![]() | 4A | ||
nero ![]() | 7A | ||
Connettore CN19 su RosettaCNC Board B | |||
marrone ![]() | 2 | ![]() |
|
arancione ![]() | 3 | ||
azzurro ![]() | 4 | ||
blu ![]() | 5 | ||
verde/nero ![]() | 6 | ||
blu/nero ![]() | 7 | ||
trasparente/nero ![]() | 8 | ||
rosso/nero ![]() | 9 | ||
Connettore CN18 su RosettaCNC Board B | |||
marrone/nero ![]() | 7 | ![]() |
|
giallo/nero ![]() | 8 | ||
viola/nero ![]() | 9 | ||
. | |||
viola ![]() ![]() | Da collegare a +24Vdc | ||
. | |||
rosa/nero ![]() | ![]() | Da collegare in serie al circuito di arresto per emergenza | |
bianco/nero ![]() |
|||
arancione/nero ![]() | ![]() | Da collegare in serie al circuito di arresto per emergenza | |
grigio/nero ![]() |
I fili verde , rosso/nero
e rosa
possono essere connessi ad un qualsiasi Ingresso utente e assegnata una funzione nel software di controllo RosettaCNC.
2.3.1 Installazione
Per collegare il volantino a RosettaCNC Board B inserire i connettori in CN17 e CN19 come in figura:
Figura 1. Installazione volantino
Verificare la connessione del pulsante di emergenza in accordo con il circuito di sicurezza della macchina
Per gli esempi di collegamento dei circuiti di emergenza fare riferimento al munuale del prodotto RosettaCNC Board B.
3. Impostazioni
Per utilizzare il volantino è necessario impostare correttamente i valori evidenziati nella seguente figura (nel pannello “Impostazione scheda RosettaCNC”):
4. Documentazione delle release hardware precedenti
- mimrosettacnchandwheelb_it01.pdf Manuale di Installazione e Manutenzione rel.h.01
5. Contributi
Si ringraziano anticipatamente tutti coloro che vorranno contribuire al miglioramento di questa documentazione segnalando imprecisioni o contenuti. Scrivete all'indirizzo: support@rosettacnc.com