RosettaCNC Tool-Setter A - Manuale di installazione e manutenzione
Gentile Cliente,
Grazie per aver acquistato questo prodotto. Questo documento vuole raccogliere tutte le informazioni necessarie per l'installazione e l'utilizzo di questo accessorio.
Serve assistenza ?
Scrivete nel forum presente nel sito RosettaCNC.com oppure inviate una email all' indirizzo: support@rosettacnc.com, il team di sviluppo di RosettaCNC sarà lieto di rispondervi in tempi brevi.
I diritti d'autore di questo manuale sono riservati. Nessuna parte di questo documento, può essere copiata o riprodotta in qualsiasi forma senza la preventiva autorizzazione scritta. RosettaCNC Motion® non presenta assicurazioni o garanzie sui contenuti e specificatamente declina ogni responsabilità inerente alle garanzie di idoneità per qualsiasi scopo particolare. Le informazioni in questo documento sono soggette a modifica senza preavviso. RosettaCNC Motion® non si assume alcuna responsabilità per qualsiasi errore che può apparire in questo documento. RosettaCNC Motion® è un marchio registrato.
Informazioni
![]() |
||||
Documento: | MIMROSETTACNCTool-SetterA | |||
---|---|---|---|---|
Descrizione: | Manuale di installazione e manutenzione | |||
Link: | https://wiki.rosettacnc.com/hardware/accessori/mimrosettacnctool-settera | |||
Release documento | Versione Hardware | Descrizione | Note | Data |
01 | 01 | Nuovo manuale | / | 16/12/2021 |
02 | 02 | Nuovo hardware | / | 04/04/2025 |
1. Introduzione
1.1 Descrizione generale
Sensore a doppio contatto per la misurazione degli utensili.
1.2 Simboli utilizzati nel manuale
Informazioni utili e suggerimenti
Avvertimenti, il mancato rispetto di questi avvertimenti può portare ad un funzionamento inadeguato o danni al dispositivo
Potenziale pericolo e possibile rischio di infortunio
1.3 Contenuto della confezione
- n.1 Tool-Setter
- connettore circolare a quattro poli
1.4 Identificazione del prodotto
In base al Codice d'ordinazione del prodotto è possibile ricavarne esattamente le caratteristiche.
Verificare che le caratteristiche del prodotto corrispondano alle Vostre esigenze.
1.4.1 Etichetta prodotto
- a - Codice di ordinazione
- b - Data di produzione: indica la settimana e l'anno di produzione
- c - Part number: codice univoco che identifica un codice d'ordinazione
- d - Serial number: numero di serie dello strumento, unico per ogni pezzo prodotto
- e - Versione hardware: versione e release dell'hardware
1.4.2 Codice di ordinazione
Il prodotto RosettaCNC Tool-Setter A è disponibile nella seguenti versioni:
Part number | Modello | Descrizione |
---|---|---|
94030024 | RosettaCNC Tool-Setter A | Sensore a doppio contatto |
2. Installazione meccanica
2.1 Dimensioni
3. Collegamenti
3.1 Descrizione dei cavi
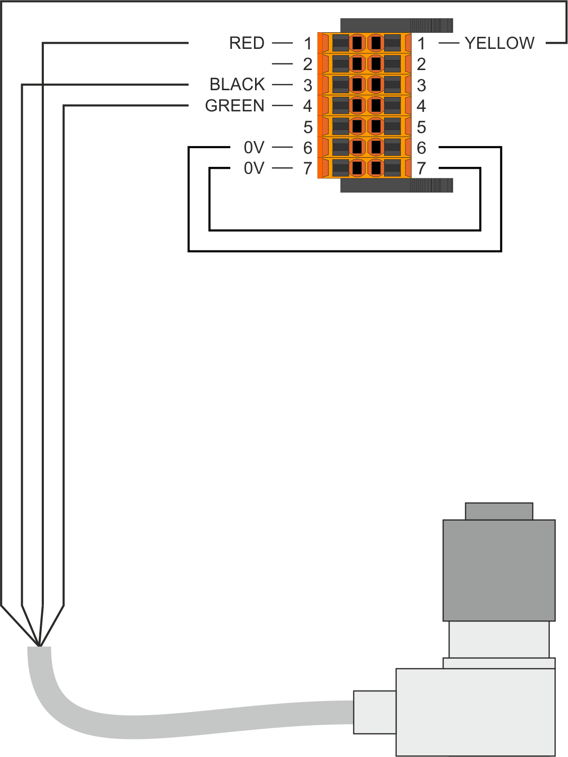
3.2 Collegamento a RosettaCNC Board A
Questo modello di Tool-Setter è compatibile solo con RosettaCNC Board A dalla versione hardware 1.2 in poi.
Tool-Setter | Connettore CN9 su RosettaCNC Board A | |||
---|---|---|---|---|
![]() | 1 | giallo![]() | 1B | ![]() |
2 | verde ![]() | 4A | ||
3 | rosso![]() | 1A | ||
4 | nero![]() | 3A | ||
6A - Collegare con 6B | ||||
7A - Collegare con 7B |
Tool-Setter su CN9
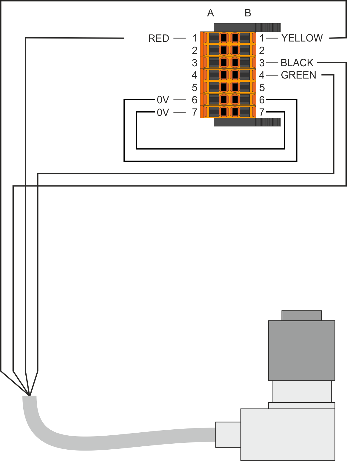
3.3 Collegamento a RosettaCNC Board B
Tool-Setter | Connettore CN16 su RosettaCNC Board B | |||
---|---|---|---|---|
![]() | 1 | giallo/yellow ![]() | 1B | ![]() |
2 | verde/green ![]() | 4B | ||
3 | rosso/red ![]() | 1A | ||
4 | nero/black ![]() | 3B | ||
6A - Collegare con 6B | ||||
7A - Collegare con 7B | ||||
Tool-Setter su CN16
4. Impostazioni
Per utilizzare il Tool-Setter è necessario impostare correttamente i campi della seguente figura (nel pannello “Impostazione scheda RosettaCNC”):
- Probe
- Definisce se l'ingresso PROBE, utilizzato dal Tool-Setter è N/A (normalmente aperto) o N/C (normalmente chiuso).
- Ingresso probe ready
- Definisce un ingresso utilizzato per gestire un allarme di collisione se presente nel probe digitale a 3 assi o nel tool-setter collegato all'ingresso PROBE.
5. Versioni hardware precedenti
Di seguito sono riportati i link per consultare le versioni hardware precedenti del prodotto.
Modello | Part number |
---|---|
Hardware version 01 | rosettacnc_tool-setter_a_-_manuale_di_installazione_e_manutenzione.pdf |
6. Contributi
Si ringraziano anticipatamente tutti coloro che vorranno contribuire al miglioramento di questa documentazione segnalando imprecisioni o contenuti. Scrivete all'indirizzo: support@rosettacnc.com